圓錐破碎機的結構特點
1、更高的產能,更好的質量。
2、因為有保險設備,大大減小了停機時間。
3、機體為鑄鋼結構,在重載部位設置有加強筋。
4、含調整器,可快速調整破碎出料粒度的大小。
5、供給彈簧式維護設備。
6、具有完好的光滑體系,當有溫過高或有流速過慢時將主動關閉。
7、內部結構密封功能好,可有用的維護設備免受粉塵及其他小顆粒的侵害。
8、使用壽命較長適用性強。

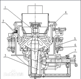
圓錐破碎機結構圖
1、更高的產能,更好的質量。
2、因為有保險設備,大大減小了停機時間。
3、機體為鑄鋼結構,在重載部位設置有加強筋。
4、含調整器,可快速調整破碎出料粒度的大小。
5、供給彈簧式維護設備。
6、具有完好的光滑體系,當有溫過高或有流速過慢時將主動關閉。
7、內部結構密封功能好,可有用的維護設備免受粉塵及其他小顆粒的侵害。
8、使用壽命較長適用性強。
手機版|
關注公眾號|

下載手機APP

